property Surface.ShowLinksWidth(Links as ShowLinksEnum) as Long
Retrieves or sets a value that indicates the width to display the links based on the user selection.

TypeDescription
Links as ShowLinksEnum A ShowLinksEnum expression that indicates the width of incoming, outgoing or collapsed links is changed.
Long A Long expression that specifies the width of related links.
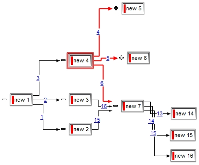
The ShowLinksWidth property specifies the width to show the incoming, outgoing or collapsed links. The Width property specifies the width of a particular link. Use the ShowLinksColor(exShowLinksStartsFrom) / ShowLinksStyle(exShowLinksStartsFrom) / ShowLinksWidth(exShowLinksStartsFrom) properties to mark the outgoing links of selected elements. The control fires the SelectionChanged event when a new element is selected or unselected. The OutgoingLinks property specifies the list of links that starts from the current element. The IncomingLinks property specifies the list of links that ends on the current element.

The following screen shot shows the outgoing links (red ):